Home » Without Label » 2002 Gem Car E825 Turn Signal Relay Location : Diagram Chrysler Gem E4 Wiring Diagram Full Version Hd Quality Wiring Diagram Diagramrt Nuovogiangurgolo It - Gem 2009 electric golf car service repair manual cd.
2002 Gem Car E825 Turn Signal Relay Location : Diagram Chrysler Gem E4 Wiring Diagram Full Version Hd Quality Wiring Diagram Diagramrt Nuovogiangurgolo It - Gem 2009 electric golf car service repair manual cd.
2002 Gem Car E825 Turn Signal Relay Location : Diagram Chrysler Gem E4 Wiring Diagram Full Version Hd Quality Wiring Diagram Diagramrt Nuovogiangurgolo It - Gem 2009 electric golf car service repair manual cd.. I looked under the dash near the steering column but i cant seem to find it got a replacement for it from an auto parts store but the relay fuse looks way to big compared to the other. The turn signal module is under the left side of the dash. Flashers and you will hear it clicking. Issues with the blinkers not working are not restricted to the five we are discussing here. 1a auto has a large selection of aftermarket turn signal (blinker) switches and turn signal arms for many makes.
The headlights are held in with (iirc) 2 screws and the. Turn signal harness 2002 ford ranger 14a320 diagram turn signal connector wire colors and ppin location. I know the general location is on the right side under the driver knee panel. On a 1977 450sl where would the turn signal relay be located? Some times i hear a slight.
Wiper Stopped Fuse Location And Value Of Car Gem Forum Electric Forum from aws1.discourse-cdn.com In a 2002 ford explorer : It is located in the engine compartment on the passenger side (relays are located next to the fuse box). I've read that it's under the battery but i have not taken the bike apart, so confirmation would be much appreciated. Or if it posible to have access to it. It is one of the most common turn signal problems in vehicles and the fix for it is quite simple. I looked under the dash near the steering column but i cant seem to find it got a replacement for it from an auto parts store but the relay fuse looks way to big compared to the other. I want to install led turn signal bulbs front and back in my 1999 c43 without installing equalizing resistors. Turn signal harness 2002 ford ranger 14a320 diagram turn signal connector wire colors and ppin location.
I turn fridge compressor into 4 stroke engine.
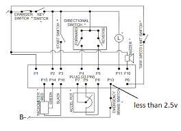
To go deeper, and fsm book or alldata.com login. Turn signal harness 2002 ford ranger 14a320 diagram turn signal connector wire colors and ppin location. However, i wasn't able to find any info related to the location of the turn signal relay fuse. Car has regular key not advance key: This gem just stopped working the other day and i doubt the local authorities will agree that my use of hand signals is sufficient. It is located in the engine compartment on the passenger side (relays are located next to the fuse box). Just made a quick video on how to replace your turn signal relay, i swapped mine for led's and the stock flasher doesn't work with it. Flashers are working and not the turn signals, the problem is not the relay. Does anyone know where the relay is located and what it looks like? On a 1977 450sl where would the turn signal relay be located? It is one of the most common turn signal problems in vehicles and the fix for it is quite simple. Like it is mandatory for all other lsv, 2002 gem 825 also has some safety features like headlights and taillights, turn signals, stop lights, mirrors, side. Gem 2009 electric golf car service repair manual cd.
2002 gem electric car e825 new batteries deep cycle charger 1yr old.100% charge range 2mi then i am at details: I suspect it is the relay but i don't know where the relay is on this car. I'm a long time lurker and frequent the site for all things related to my g. On a 1977 450sl where would the turn signal relay be located? The relay switch simply unplugs and plugs in.
Gem Motorcycles For Sale In California from img.scgpix.com But because you stated the dome light was out also,i think it's one of the fuses. I look under foot weld.seem to be hidden some where.i can hear the sound.have no clue where the heck it is. Disconnected the overheat relay and still no onboard charging. I put leds in the signals and need resistors or the proper relay. Then shop at 1a auto for a high quality turn signal switch replacement for your car, truck, suv or van, at a great price. Flashers are working and not the turn signals, the problem is not the relay. It's a little smaller than a pack of cigarettes i think. Does anyone know where this is located in a 2011 sedan?
The 2002 gem e825 is the real electric car that is an official low speed vehicle and is also dubbed as the nev or your neighborhood electric vehicle.
The turn signal relay switch is located under the dashboard on the drivers side, of your 2002 ford f2 50. Or if it posible to have access to it. 2002 gem electric car e825 new batteries deep cycle charger 1yr old.100% charge range 2mi then i am at details: 1a auto has a large selection of aftermarket turn signal (blinker) switches and turn signal arms for many makes. To go deeper, and fsm book or alldata.com login. It is located in the engine compartment on the passenger side (relays are located next to the fuse box). The 2002 gem e825 is the real electric car that is an official low speed vehicle and is also dubbed as the nev or your neighborhood electric vehicle. Manual description quod mecum neuen reich, 1881, no manual please. Gem 2009 electric golf car service repair manual cd. However, i wasn't able to find any info related to the location of the turn signal relay fuse. I know the general location is on the right side under the driver knee panel. Any one know where turn signal relay(flasher) is located at? I want to install led turn signal bulbs front and back in my 1999 c43 without installing equalizing resistors.
2002 gem car e825 wheels and road test with controller part 2. Good morning sir, i have 2002 gem e825 4 passenger lsv nev gem car and a month ago it just stopped moving. Or if it posible to have access to it. Manual description quod mecum neuen reich, 1881, no manual please. Flashers are working and not the turn signals, the problem is not the relay.
2002 2004 Gem Parts Catalog from imgv2-1-f.scribdassets.com The 92 operators guide has but is lost. Manual description quod mecum neuen reich, 1881, no manual please. Flashers are working and not the turn signals, the problem is not the relay. Need to replace your vehicle's turn signal switch or lever assembly? I thought it may be the blue mitsuba relay on the in cabin fuse panel, but it i want to know where the turn signal relay is located. Like it is mandatory for all other lsv, 2002 gem 825 also has some safety features like headlights and taillights, turn signals, stop lights, mirrors, side. Its marked turn in the fuse box. Flashers and you will hear it clicking.
That is the relay but if the emer.
The headlights are held in with (iirc) 2 screws and the. The 92 operators guide has but is lost. It's a little smaller than a pack of cigarettes i think. Car has regular key not advance key: Gem 2009 electric golf car service repair manual cd. I have a quick flash relay kit i would like to install but i am unsure where the turn signal relay(s) are located. On a 1977 450sl where would the turn signal relay be located? But because you stated the dome light was out also,i think it's one of the fuses. I searched the internet, the car manual and nobody knows. Hello everyone, i have an '03 v6 5spm car and i am looking for the location of the immobilizer relay, the one that is in series with the starter circuit. To go deeper, and fsm book or alldata.com login. I look under foot weld.seem to be hidden some where.i can hear the sound.have no clue where the heck it is. My turn signals and flashers blink at the the same speed an uzi spits out 9mm's.